Die E–Tankstelle ist eine Speichereinheit auf Basis von Hochdruckhydraulik mit verbundener Windenergieanlage und Photovoltaikzellen. Es wird aus regenerativer Energie (Sonne und Wind) elektrische Energie gewonnen und mit einem permanent wirkenden Gewicht in Form von Hochdruckhydraulik zwischengespeichert.
Zusätzlich können handelsübliche Blasenspeicher angeschlossen werden, mit denen die Kapazität des hydraulischen Speichers erweitert werden kann.
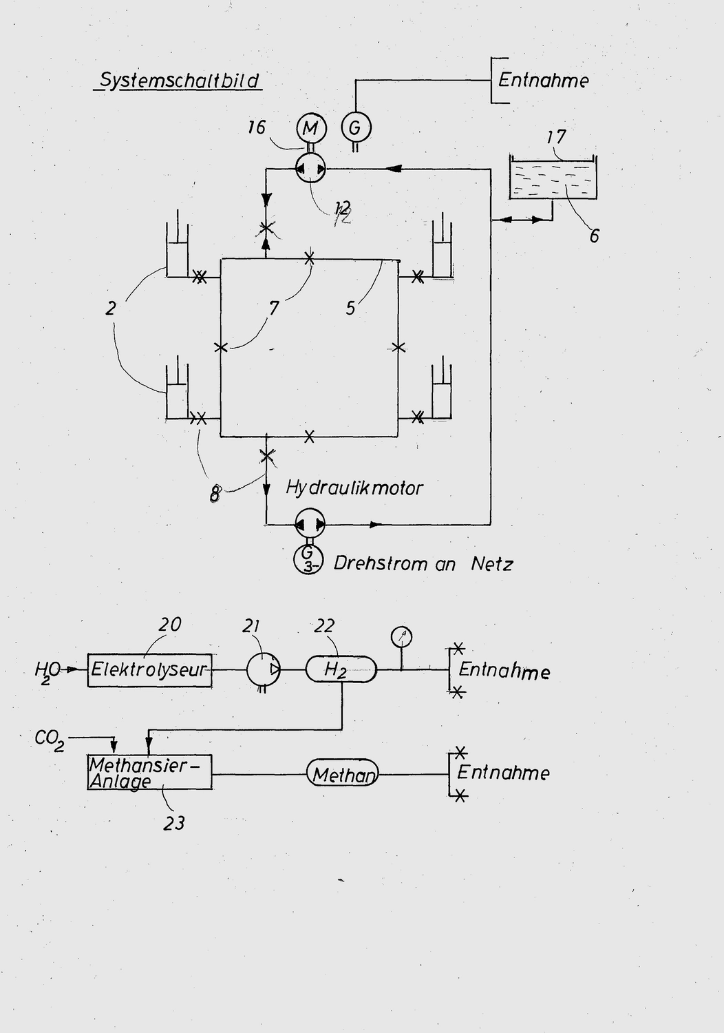
Durch eine Ringleitung wird an allen Druckzylindern die gleiche Einspeisung ermöglicht, sodass ein Verkanten des Gewichtes unmöglich ist. Dadurch kann auch gleichzeitig Drucköl eingespeist und entnommen werden.
Das System soll in drei Stufen angelegt werden, für Einfamilienhäuser, Einzelgehöfte und Gemeinden mit 10 t, 100 t und 1000 t Gewicht.
Generell ist der hydraulische Speicher an jedem Ort einsetzbar.
Durch Erhöhung der belastenden Massen – und damit des Betriebsdruckes der Hydraulikanlage – kann die Baugröße bei gleicher Abgabeleistung klein gehalten werden.
Die einfachste Einsatzmöglichkeit besteht darin, über eine umschaltbare Motor-/Hydraulik-Pumpe-Einheit einen oder mehrere hydraulische Speicher mit preisgünstigem Nachtstrom aufzufüllen, um bei Spitzenbedarf Strom zu erzeugen, wobei Motor/Hydraulik-Pumpe nunmehr als Generator/Hydraulik-Motor wirken.
Für den Strom in der Bedarfsspitze kann ein wesentlich höherer Preis erzielt werden. Für kommunale Versorger, die in der Lage sind, Nachtstrom günstig einzukaufen, könnte dies eine lukrative Einnahmequelle sein.
Das hauptsächliche Einsatzfeld dürfte jedoch der Bereich regenerativer Energien sein.
Ein zentraler Hydraulik-Energiespeicher, kombiniert mit einer PV-Anlage und einer oder mehreren Durchströmturbinen, könnte als „Autonome E–Tankstelle“ unabhängig vom Stromnetz an jedem geeigneten Platz installiert werden.
Ein wichtiges Argument für die „Autonome E–Tankstelle“ wäre die ausschließliche Nutzung regenerativer Energie und somit das Fahren mit „grünem Strom“.
Dies würde insbesondere an Autobahnraststätten Sinn machen, in Ergänzung zu bestehenden Tankstellen. Durch Belegung bestehender Parkplätze und Dachflächen mit PV-Zellen könnte die Kapazität des hydraulischen Speichers erheblich erweitert werden.
Eine Anzahl einfacher, baugleicher hydraulischer Speicher könnte (auch nachträglich) in den Turm einer WEA oder unmittelbar daneben eingebaut werden.
Entsprechend dem schwankenden Angebot von Wind und Sonne könnte die Energieerzeugung so auf ein definiertes Niveau angehoben werden.
Die Grundlast könnte abgedeckt und bei Spitzenbedarf eine garantierte Strommenge ins Netz eingespeist werden. In jedem Fall erhalten die abnehmenden Energieunternehmen eine besser berechenbare Basis für die Versorgung.

Problemdarstellung
Die immerwährende verlässliche Verfügbarkeit von elektrischer Energie ist die Voraussetzung für eine funktionierende industriell geprägte Volkswirtschaft. Bezogen auf den zu erwartenden mittleren Bedarf ist dafür eine Grundversorgung bereitzustellen, die jederzeit abrufbar ist. Der Verbrauch ist jedoch abhängig von der Tageszeit stark schwankend. Erfahrungsgemäß gibt es Spitzenbedarf jeweils zwei Stunden morgens, mittags und abends und eine hohe Grundlast im Tagesverlauf. Nachts sinkt der Bedarf stark ab, Zielrundauslastung der Kraftwerke kann aber nicht entsprechend abgesenkt werden, sodass in der Nacht ein Stromüberangebot besteht und größere Verbraucher diesen Strom zu wesentlich günstigeren Konditionen einkaufen können. Der Spitzenbedarf wiederum tritt unregelmäßig auf, erfordert dann aber kurzfristig hohe Kapazitäten, für die ein hoher Preis gezahlt werden muss.
Es bietet sich an, diesen Preisunterschied zu nutzen und die bei Überangebot günstig eingekaufte Energie während des Spitzenbedarfes für einen höheren Preis wieder zu verkaufen.
Die Schwierigkeit besteht jedoch darin, die elektrische Energie so zu speichern, dass sie einerseits kurzfristig verfügbar gemacht werden kann, anderseits aber die Verluste bei der Speicherung den wirtschaftlichen Erfolg nicht zunichtemachen.
Eine vergleichbare Problematik stellt die Nutzung der regenerativen Energie dar. In Zeiten mit hohem Windangebot und PV-Nutzung werden große Strommengen erzeugt.
In Zeiten des Spitzenbedarfes kann aber überhaupt kein Strom aus der Nutzung der Windenergie oder Fotovoltaik bereitgestellt werden. Die Windstärke ist entweder zu niedrig (bis Bft 3) oder zu hoch (ab Bft 8), oder die PV lässt sich nicht optimal nutzen. Generell ist mit den aktuell im Einsatz befindlichen WEA und PV-Anlagen eine kontinuierliche Versorgung oder auch die Bereitstellung von Spitzenbedarf kaum möglich.
Das Speichern von elektrischer Energie ist aktuell nur machbar, indem der elektrische Strom in eine andere Energieform transferiert wird.
Zum Beispiel kann der in Kraftwerken erzeugte Drehstrom mittels Gleichrichten oder Umformern in Gleichstrom gewandelt und in Batteriekaskaden bereitgestellt werden.
Bei Bedarf kann der Gleichstrom dann erneut in Drehstrom umgewandelt und in das Netz eingespeist werden.
Bei der zweimaligen Umwandlung des Stromes entstehen jedoch Verluste und die Standzeit von Akkumulatoren ist begrenzt, sodass sie nach einigen Hundert Umwandlungszyklen sehr kostenaufwendig ersetzt werden müssen.
Die Energiespeicherung mit Akkumulatoren ist anwendbar und wird auch zum Abdecken kurzfristiger Bedarfsspitzen genutzt, ist jedoch auf absehbare Zeit unwirtschaftlich, zumal die Entsorgung gebrauchter Akkumulatoren problematisch ist.
In einigen Fällen werden Pumpspeicherwerke genutzt, wobei in großem Maßstab Wasser in ein höher gelegenes Speicherbecken gepumpt wird. Die Pumpen werden mit preisgünstigem Nachtstrom betrieben. In Zeiten des Spitzenbedarfes wird das Wasser über Turbinen geleitet und erzeugt mit gutem Wirkungsgrad erneut elektrische Energie.

Um eine optimale Wirtschaftlichkeit erreichen zu können, ist es erforderlich, zu Zeitendes Spitzenbedarfes ein ausreichendes Angebot bereitzustellen.
Gleichzeitig muss ein vorhandenes Überangebot an Energie in Speichern zwischengelagert werden zur kurzfristigen Nutzung bei Bedarf.
Die Speicher müssen einen guten Wirkungsgrad haben, sie sollen robust sein, breit einsetzbar, eine lange Lebensdauer haben, möglichst geringe Gestehungskosten und keine Einschränkung des Einsatzortes aufweisen.
Es sollte möglich sein, einerseits den preisgünstigen Nachtstrom für die Tagesspitzen bereitzustellen, aber auch Strom aus Windenergie oder PV dem Verbraucher dann zur Verfügung zu stellen, wenn tatsächlich nachgefragt wird.
Ein Energiespeicher, der mit hohem Wirkungsgrad betrieben werden kann, wäre in Form von permanent belasteten hydraulischen Kolben zu verwirklichen. Der senkrecht stehende Kolben eines hydraulischen Linearantriebes wird in Axialrichtung mit Gewicht belastet, sodass sich in der hydraulischen Flüssigkeit ein hoher Druck einstellt. Dieser sollte dem Normdruck einer üblichen hydraulischen Anlage entsprechen.
Eine hydraulische Pumpe fördert Hydraulikflüssigkeit gegen den oder die belasteten Kolben und hebt diesen an, entsprechend der geförderten Masse der Hydraulikflüssigkeit. Dadurch erhält der Kolben ein erhöhtes Energiepotential, das so lange ansteigt, bis der Kolben seine Endlage erreicht hat.
Die so auf hohen Druck gebrachte Hydraulikflüssigkeit kann mit geringsten Leckverlusten für lange Zeit gehalten werden.
Durch Verbindung aller Hydraulikzylinder mit einer Ringleitung ist die gleichzeitige Einspeisung und Entnahme der Hochdruckhydraulikflüssigkeit möglich. Mittels eines Standardhydraulikmotors wird ein Generator so betrieben, dass der höchste Übertragungswirkungsgrad erzielt werden kann. Der erzeugte Strom kann dann ohne Umspannung direkt ins Netz gespeist werden.
In einer Ausbaustufe kann ein handelsüblicher Elektrolyseur mit der Anlage verbunden werden. Dadurch wäre direkt H₂ zu erzeugen, der in einer weiteren Stufe zu Methan bzw. Methanol umgewandelt werden könnte.
Auf diese Weise könnte die „Autonome E – Tankstelle, die Energiebedarfe einer absehbaren Zukunft abdecken.


Generell ist der hydraulische Speicher an jedem Ort einsetzbar. Durch Erhöhung der belastenden Massen – und damit des Betriebsdruckes der Hydraulikanlage – kann die Baugröße klein gehalten werden, bei gleicher Abgabeleistung.
Die einfachste Einsatzmöglichkeit besteht darin, über eine umschaltbare Motor/Hydraulik-Pumpe-Einheit einen oder mehrere hydraulische Speicher mit preisgünstigem Nachtstrom aufzufüllen, um bei Spitzenbedarf Strom zu erzeugen, wobei Motor/Hydraulik-Pumpe nunmehr als Generator/Hydraulik-Motor wirken.
Für den Strom in der Bedarfsspitze kann ein wesentlich höherer Preis erzielt werden. Für kommunale Versorger, die in der Lage sind, Nachtstrom günstig einzukaufen, könnte dies eine lukrative Einnahmequelle sein.
Das hauptsächliche Einsatzfeld dürfte jedoch der Bereich regenerativer Energie sein.
Eine zentrale Hydraulik-Energiespeicher kombiniert mit einer PV-Anlage und einem oder mehreren Durchström-Turbinen, könnte als „Autonome E – Tankstelle“ unabhängig vom Stromnetz an jedem geeigneten Platz installiert werden.
Dies würde insbesondere an Autobahnraststätten Sinn ergeben, in Ergänzung zu bestehenden Tankstellen.
Durch Belegung bestehender Parkplätze und Dachflächen mit PV-Zellen könnte die Kapazität des hydraulischen Speichers erheblich erweitert werden.
Ein wichtiges Argument für die „Autonome E – Tankstelle“ wäre die ausschließliche Nutzung regenerativer Energie und somit das Fahren mit „grünem Strom“. Eine Anzahl einfacher, baugleicher hydraulischer Speicher könnte (auch nachträglich) in den Turm einer WEA oder unmittelbar daneben eingebaut werden. Entsprechend dem schwankenden Angebot von Wind und Sonne könnte die Energieerzeugung so auf ein definiertes Niveau angehoben werden.
Die Grundlast könnte abgedeckt und bei Spitzenbedarf eine garantierte Strommenge ins Netz eingespeist werden. In jedem Fall erhalten die abnehmenden Energieunternehmen eine besser berechenbare Basis für die Versorgung.
Ausblick
Die Versorgung von E-Fahrzeugen und Automobilen mit Wasserstoffantrieb auf langen Strecken könnte durch Zubau von netzunabhängigen „Autonomen E-Tankstellen“ an Autobahnraststätten und bestehenden Tankstellen sichergestellt werden.
Unterschiedliche Leistungsgrößen von „Autonomen E-Tankstellen“ könnten für die sichere Versorgung kleiner bis mittlerer Verbraucher genutzt werden oder wären auch zur Grundlastversorgung nutzbar.
Gegenüber dem aktuellen Zustand könnte die Planungssicherheit erheblich verbessert werden.
Vorhandene WEA können mit geringem Zusatzaufwand nachgerüstet werden. Umbauten an Gondel, Getriebe, Generator und elektrischer Leitungsführung wären nicht notwendig. Hydraulische Speicher können je nach Auslegung im Turm selbst eingebaut oder um den Turm herum platziert werden. Die Hydraulik-Motor/Generator-Einheit wird zu ebener Erde aufgestellt. Wegen des gleichmäßigen Leistungsangebotes dürfte der Steuerungsaufwand bei der Stromeinspeisung relativ gering sein. Der direkte Antrieb von Hydraulikpumpen erfordert hohe Drehmomente. Dies legt den vermehrten Einsatz von optimierten WEA mit Flettner-Rotoren nahe.
Flettner-Rotoren erzeugen im Vergleich zu herkömmlichen Flügeln von Windenergieanlagen hohe radiale Kräfte. Eine entsprechende Entwicklung ist aktuell in Arbeit.
Für die neue WEA liegt der große Vorteil darin, dass die Welle direkt auf eine oder mehrere Hydraulikpumpen wirken kann. Je nach Pumpenart und Drehzahl der WEA kann weiter ein Getriebe erforderlich sein, der Generator als Topgewicht in der Gondel entfällt aber. Neu konzipierte WEA mit Optimierung für hydraulische Speicher werden in jedem Fall eine geringere Masse haben als momentan.
Die hohen Toplasten der Gondel können künftig wesentlich verringert werden, wodurch die Baukosten wiederum sinken. Es ist zu erwarten, dass auch die Wartungskosten für die Gesamtanlage wegen der geringeren Komplexität und der besseren Zugänglichkeit geringer zu veranschlagen sind als derzeit.
Windenergieparks mit angeschlossenen umfangreichen hydraulischen Speicheranlagen könnten hohe Spitzenlasten bei Bedarf bedienen und parallel durchlaufend die hydraulischen Speicher auffüllen.
Der Ausfall einzelner WEA würde nicht zu Buche schlagen, die Verfügbarkeit der Gesamtanlage würde erheblich verbessert.